空心锥涡流喷嘴
山东亚特美专注定制服务 拥有完整、科学的质量管理体系 值得信赖
● 在线咨询 →
产品中心

18366799099
产品简介
国内专业化生产和销售喷嘴,喷枪和喷雾系统的技术企业空心锥超广角YE型喷雾喷嘴
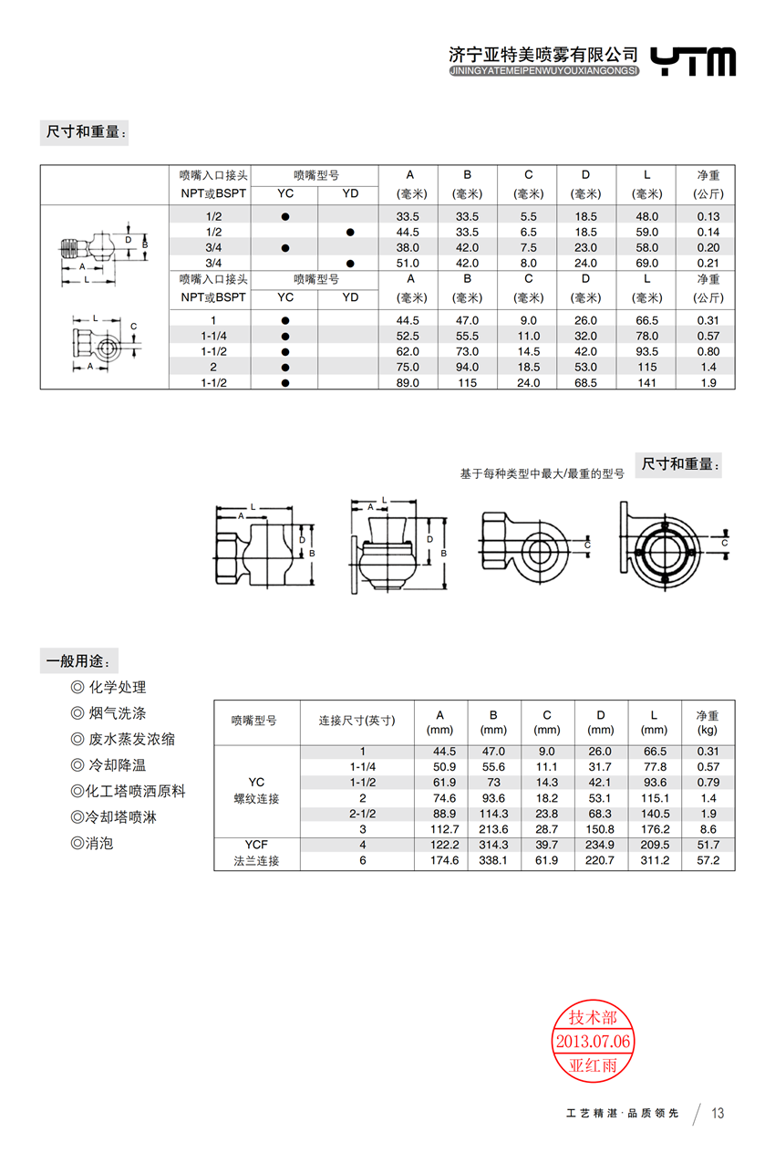
产品型号YE 连接尺寸 3/8 喷雾编号8 材料S316
YE整体棒材型1/8 英寸?1/4英寸NPT或BSPT 内螺纹
YE整体铸材型 3/8英寸?1/2英寸NPT或BSPT 内螺纹
一般用途:加湿作业、化学反应处理、洗涤气体和空气以除去飞尘和其他燃烧产物、气体冷却、水冷却、金属处理、除去产品上的油渍。
空心锥涡流喷嘴产品特点:喷流方式为空心锥形,喷涂区域成环形。适用于非常恶劣的工作环境,喷嘴能在大范围的流率和压力下产生分布均匀、液滴大小为中等到偏大的喷雾。大流量碳化硅喷嘴具有大而流畅的流通道,确保无阻塞现象发生。产品耐热、抗弯、耐腐蚀性能非常强。广泛应用于废气洗涤、烟气脱硫系统、气体冷却等。


推荐产品
国内专业化生产和销售喷嘴,喷枪和喷雾系统的技术企业联系我们
版权所有 山东亚特美环境科技有限公司 www.yatemeipw.com 备案号:鲁ICP备15042237号-2
18366799099